Zum Hauptinhalt springen Zur Suche springen Zur Hauptnavigation springen
Zur Startseite gehen

Talamex Deckauge (versch. Ausführungen)

Produktinformationen "Talamex Deckauge (versch. Ausführungen)"

• Edelstahl AISI 304 / A2.
 
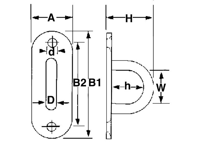
ArtikelnummerD mmA mmB1 mmB2 mmH mmh mmW mmØ d mm
73241045 5 15 51 40 20 12 14 4,2
73241060 6 20 60 46 25 17 16 5,2
73241080 8 26 80 60 32 21 20 5,2

 

 

Hersteller

Talamex ist eine Marke der

Lankhorst Taselaar B.V.
Komeet 13
NL-8448 CG Heerenveen
Netherlands

Email: info@lankhorst-taselaar.nl
Telefon: 05971 – 97 07-0

0 von 0 Bewertungen

Durchschnittliche Bewertung von 0 von 5 Sternen

Bewerten Sie dieses Produkt!

Teilen Sie Ihre Erfahrungen mit anderen Kunden.