Zum Hauptinhalt springen Zur Suche springen Zur Hauptnavigation springen
Zur Startseite gehen

KONG Italy Ankerkettenverbinder Carbonstahl groß

Produktinformationen "KONG Italy Ankerkettenverbinder Carbonstahl groß"

Highlights: 

  • Ohne Wirbel. Carbonstahl

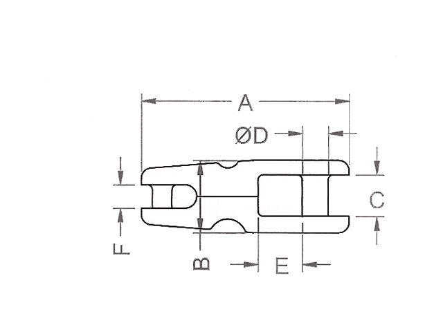
Abmessung:

ArtikelnummerA mmB mmC mmD mmE mmF mmFür Kette mmBL V daNBL H daNSWL daN 
77319106 80 28 16 10 19 9 6 - 7 - 8 2500 850 850  
77319108 100 37 22 13 23,5 13 8 - 10 - 12 5000 2000 2000  
77319112 144 54 31 16 26 16 12 - 13 - 14 9500 3000 3000

0 von 0 Bewertungen

Durchschnittliche Bewertung von 0 von 5 Sternen

Bewerten Sie dieses Produkt!

Teilen Sie Ihre Erfahrungen mit anderen Kunden.