Zum Hauptinhalt springen Zur Suche springen Zur Hauptnavigation springen
Zur Startseite gehen

KONG Italy Ankerkettenverbinder Nirosta groß

Produktinformationen "KONG Italy Ankerkettenverbinder Nirosta groß"

Highlights:

  • Mit Wirbel. Edelstahl AISI 316 / A4.

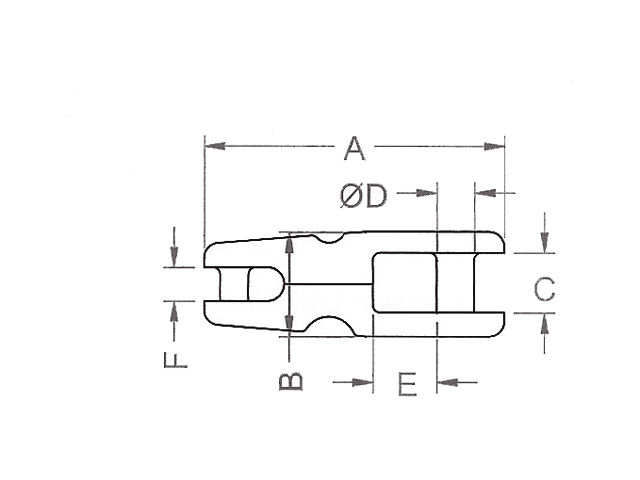
Abmessung:

ArtikelnummerA mmB mmC mmD mmE mmF mmFür Kette mmBL V daNBL H daNSWL daN 
77318106 93 28 16 10 19 9 6 - 7 - 8 2500 850 850  
77318108 117 37 22 13 23 13 8 - 10 - 12 5000 2000 2000  
77318112 155 66 35 18 30 17 12 - 13 - 14 9500 3000 3000

0 von 0 Bewertungen

Durchschnittliche Bewertung von 0 von 5 Sternen

Bewerten Sie dieses Produkt!

Teilen Sie Ihre Erfahrungen mit anderen Kunden.